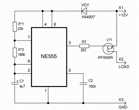
Методы подключения дневных ходовых огней ДХОВ последнее время спрос на дневные ходовые огни ДХО довольно высок, такая ситуация на рынке обусловлена тем, что большинство автомобилистов неохотно идут на контакт с инспекторами ГАИ, последние же в свою очередь могут с легкостью остановить транспортное средство, не имеющее дополнительных световых приборов. Методы подключения дневных ходовых огней ДХОВключенный дневной светпротивотуманные фары могут спасти ситуацию, но в таком случае срок службы осветительных приборов, из за постоянной эксплуатации, будет гораздо ниже, замену ламп придется осуществлять чаще. Также не стоит забывать, что при использовании дневного светапротивотуманных фар, хоть и не существенно, но все же увеличивается расход топлива. Имея совсем немного свободного времени, а также желание сделать езду на любимом авто более комфортной, каждый автолюбитель может осуществить установку ДХО собственноручно. Данная задача вполне осуществима в домашних условиях, для этого достаточно иметь навыки работы с паяльником, а об остальных нюансах установки вы сможете узнать из данной статьи. Вот небольшой перечень инструментов, которые понадобятся для работы паяльник,обжимное устройство можно заменить пассатижами,нож,зажигалка,кусачки. Также для установки понадобится двухжильный провод в изоляции ПВС 2х. Провод необходим чтобы осуществить параллельное соединение фонарей. Также необходимоавтомобильное реле 1. Итак, со списком инструментов и материалов определились, перейдем к вариантам подключения 1 способ. Решил собрать контроллер ДХО на основе таймера ne555, для начала смоделировал основную часть в протеус, вс работает, скважность 33. Предлагаю свой вариант ДХО А я собрал себе на NE555 с задержкой 20сек,УЖЕ больше года полет. JPG/DRL/DRL_BA3.gif' alt='Дхо На Ne555' title='Дхо На Ne555' />Подключить осветительные приборы можно на прямую к двигателю, таким образом ДХО будут включаться когда машина заводится и выключаться когда глушится. Этот метод самый простой в осуществлении, для подключения необходимо минус закрепить к корпусу машины, а плюс к плюсу замка зажигания или же к выводу D высоковольтного модуля, присутствие предохранителя крайне рекомендуется. Этот метод похож на предыдущий с тем лишь отличием что при включении ближнего света лампы гаснут. Плюс следует подключать так же как описано в первом методе, минус же подключается к плюсовому проводу лампы ближнего света. Суть состоит в том, что ДХО потребляют меньше энергии и отличаются большим сопротивлением, нежели лампа накаливания, поэтому при подключении данным способом нить накала не будет сильно разогреваться, при этом на работе ДХО сопротивление нити накала не как не отразится. Моды На Черепашки Ниндзя 2 Батл Нексус. При включении ближнего света на минусе ДХО появится плюс и они выключатся, конечно при включении дальнего света они опять заработают. Такой метод приемлем для подключения к лампам габаритов, если они не светодиодные. Во множестве машин по умолчанию габаритные лампы проведены параллельным методом, поэтому можно подключать общий минусовой провод обеих фонарей ДХО к любой лампе. Благодаря этому варианту ДХО включается автоматически только при включенном, работающем двигателе. Для того чтобы осуществить такое подключение следует подсоединить минус к каркасу машины, а плюс к 3. Дхо На Ne555' title='Дхо На Ne555' />В данной статье рассказано о том, как сделать своими руками автоматические дневные ходовые огни, в дальнейшем просто ДХО. В статье изложен вариант автоматических дневных ходовых огней ДХО для автомобиля на базе ШИМ регулятора на таймере 555 с. Схема и печатная плата на таймере 555. Полностью согласен, что ДХО должны уметь работать с габаритами, так же, как и без них. Методы подключения дневных ходовых огней ДХО. В последнее время спрос на дневные ходовые огни ДХО довольно высок, такая ситуация на рынке. Простая схема шим регулятора на NE555. Дхо На Ne555' title='Дхо На Ne555' />
Второй вывод геркона следует подключить на любой ближайший плюс, генератор или аккумулятор отлично подойдут, это значения не имеет. После чего запускаем движок и при помощи перемещения геркона ищем точку срабатывания реле и запуска ДХО. Дальнейшая последовательность действий очень простая необходимо упаковать геркон в термоусадку и закрепить его за счет хомутика к генератору. Этот метод подойдет при отсутствии геркона. Последовательность подключения контактов та же что и в третьем методе, только 8. Эти четыре метода очень просты в исполнении, они помогут вам без каких либо сложностей собственноручно осуществить подключение. Автор OLEGе. ТХТ. Дневные ходовые огни DRL дополнительные внешние световые приборы, предназначенные для улучшения видимости движущегося. КАК СДЕЛАТЬ ДНЕВНЫЕ ХОДОВЫЕ ОГНИ ДХО АВТОМАТ УСТАНОВКА. ТАЙМЕР ДЛЯ ВКЛЮЧЕНИЯ NE555 httpali. ДХОДневные ходовые огни DRL дополнительные внешние световые приборы, предназначенные для улучшения видимости движущегося транспортного средства в светлое время суток. Водители очень часто при выезде автомобиля с парковки забывают включать ближний свет, что грозит не малым штрафом со стороны инспекторов. Устройство включает ближний свет автоматически спустя 8 1. Схема доступна для повторения даже начинающему радиолюбителю, содержит мало радиоэлементов и наджна в работе. Автор. Гильванов А. Основа прибора микроконтроллер ATMega. Автор. Торопов Алексей. Весь список тегов.